Проект перепланировки и переустройство квартиры
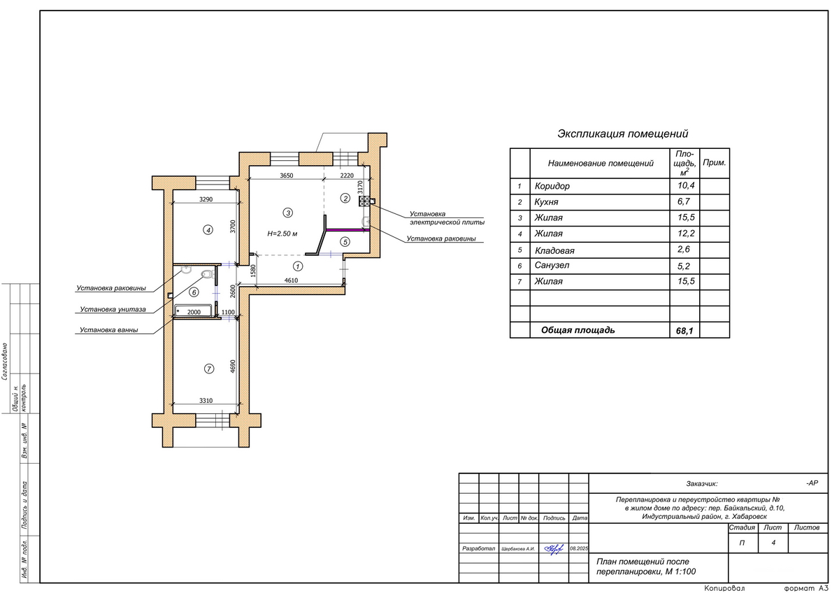
Объект: 3-комнатная квартира площадью 68,1 м², расположенная на 4 этаже 10-этажного кирпичного жилого дома 2007 года постройки по пер. Байкальскому в Индустриальном районе Хабаровска. Задачи: объединение туалета и ванной, объединение комнаты и кухни, увеличение коридора за счёт изменения конфигурации, устройство кладовой.
Исходные данные
Год постройки дома — 2007 г.
Наружные стены — кирпичные.
Перегородки — кирпичные.
Перекрытие — железобетонные плиты.
Этаж квартиры — 4, число этажей в доме — 10.
Общая площадь квартиры до перепланировки — 68,1 м².
Жилая площадь квартиры до перепланировки — 43,7 м².
Высота помещений — 2,50 м.
Состав помещений до перепланировки — 3 жилые комнаты, коридор, кухня, ванная, туалет.
Что мы сделали
1. Подготовили план всех помещений квартиры и составили с собственниками эскиз новой планировки с учётом их пожеланий и технических возможностей по проведению изменений.
2. Разработали проект перепланировки и переустройства квартиры.
Проектное предложение предусматривает:
— демонтаж внутренних ненесущих перегородок из кирпича;
— возведение новых перегородок из ГВЛ и кирпича;
— устройство дверного проёма и установку дверного блока;
— устройство наливных полов с гидроизоляцией в помещениях санузла и кухни;
— переустройство (установка раковин, унитаза, ванны и электрической плиты).
Преимущества архитектурно-планировочных решений:
- Объединение кухни и комнаты в единое пространство гостиной создало комфортную зону для отдыха, общения и приёма гостей.
- Улучшено естественное освещение и увеличено визуальное восприятие площади — квартира стала светлее и просторнее.
- Перенос входа в кухню и частичный демонтаж перегородок позволили рационально перераспределить площади и избавиться от неэффективных зон.
- Объединение туалета и ванной позволило разместить всё необходимое сантехническое оборудование в едином эргономичном пространстве площадью 5,2 м². Совмещённый санузел удобен в эксплуатации и облегчает организацию инженерных коммуникаций.
- После перепланировки помещения получили более логичную взаимосвязь: входная зона плавно переходит в общую жилую часть, а частные комнаты расположены обособленно.
- Увеличенная площадь коридора (с 9,9 до 10,4 м²) позволила организовать дополнительную зону хранения и сделать входную часть более просторной.
- Новая конфигурация стен устранила узкие и неиспользуемые участки, сделав квартиру удобнее для передвижения.
- Обновлённая планировка соответствует актуальным требованиям к городскому жилью и повышает рыночную привлекательность квартиры.
3. Обеспечили соблюдение норм СНиП по противопожарной безопасности и требования санэпидслужбы.
4. Учли требования к инженерным системам в МКД:
— водоснабжение и канализация (существующие системы стояков не изменяются и не затрагиваются);
— отопление (существующая система не изменяется и не затрагивается);
— освещение от существующих окон (естественное).
5. В помещениях санузла и кухни предусмотрена гидроизоляция плит перекрытия с заходом на стены всю высоту замачивания. Работы по устройству полов, гидроизоляции и теплоизоляции необходимо выполнять в соответствии с требованиями СП 71.13330.2017 и СП 70.13330.2012.
6. Предусмотрели акты освидетельствования скрытых работ на монтаж перегородок из ГВЛ и кирпича, гидроизоляцию полов и монтаж скрытой электропроводки.
7. Монтаж электрического кабеля, подключение электрической плиты, гидроизоляция плит перекрытия и скрытые работы производятся силами организаций, имеющих соответствующие допуски.
Технико-экономические показатели квартиры после перепланировки
- Общая площадь квартиры — 68,1 м².
- Жилая площадь квартиры — 43,2 м².
- Состав помещений после перепланировки — 3 жилые комнаты, кухня, коридор, кладовая, санузел.
Нормативные документы
Перепланировка квартиры, расположенной по адресу: пер. Байкальский, д. 10 не нарушает права и законные интересы граждан, не создаёт угрозы их жизни и здоровью, выполняется без нарушения несущих конструкций элементов здания и не оказывает влияние на устойчивость конструкций МКД.
Проектная документация выполнена в соответствии с действующими нормами и правилами и предусматривает мероприятия, обеспечивающие пожарную безопасность эксплуатации здания, при соблюдении их заказчиком и подрядчиком.
Раздел «Объёмно-планировочные и архитектурные решения» разработан на основании требований Градостроительного кодекса Российской Федерации. Содержание раздела соответствует постановлению Правительства Российской Федерации от 16 февраля 2008 года № 87 «О составе разделов проектной документации и требованиях к их содержанию» (с изменениями на 27 мая 2022 года).
Проектные решения по обеспечению вышеперечисленных параметров приняты в соответствии с действующими нормативными документами:
- СанПиН 2.1.3684-21 «Санитарно-эпидемиологические требования к содержанию территорий городских и сельских поселений, к водным объектам, питьевой воде и питьевому водоснабжению, атмосферному воздуху, почвам, жилым помещениям, эксплуатации производственных, общественных помещений, организации и проведению санитарно-противоэпидемических (профилактических) мероприятий».
- СП 54.13330.2022 «Здания жилые многоквартирные».
- Федеральный закон № 123-ФЗ «Технический регламент о требованиях пожарной безопасности».
